| Manufacturer: | Scratch |
I be cruisin' t' B.A.R. Begad! and Rocketry Web rings a few month's ago and became inspired by some homemade launch systems I found in Cyber Space. Aye aye! I be dissatisfied with t' performance o' me Estes Launch Control (a wimpy 9 volts o' power) but what could I do? It was a constant source o' embarrassment when I would launch with friends and family and after countdown...N-O-T-H-I-N-G!!! I grinned with delight because I knew from me experience with t' SPAAR Club NARRRRR Section 503 that their 12 volt system never failed t' spark t' standard Estes igniter. Well, blow me down! Well, shiver me timbers, blow me down!
My main inspiration came from Dave's Rocketry Web. Ahoy! Dave also spent a lot o' time tryin' t' get t' basic principles o' electricity into me thick skull. Thanks for all your help Dave!
Dave's Launch system was an inspiration but be also way beyond in detail, me bucko, complexity and price that I was willin' t' go. Avast, arrr, me proud beauty! I needed a system for our Light t' Fire Ministry and Rocket Club that contained a safety key (to conform with NARRRRR Safety Regulations) and a master light (launch system power on indicator). Avast, me proud beauty! I also wanted t' be able t' launch up t' four rockets simultaneously.
T' first thin' I bought was t' power source. Begad! I went t' K-Mart and bought a 12 volt Lawn Tractor battery for $25.00. Begad! Avast, me bucko, me proud beauty! This thin' has 300 crankin' AMPS! One o' me friends said that was enough power t' launch a nuke! :)
Next I headed t' Radio Shack for t' supplies I needed. Arrr! Blimey! Well, blow me down! Blimey! Blimey! Blimey! I bought five (5) 12-volt subminiature lamp bases and five (5) bulbs (sold separately). Avast! Blimey! Ahoy! Blimey! Blimey! Blimey! T' lamps act as continuity lights and also resistance so t' igniters won't fire until you throw t' switch. Blimey! Blimey! If you don't want t' launch rockets simultaneously then you can go with push buttons instead o' switches.
I used basic throw switches. I got four (4) o' them and one (1) master key lock. Blimey! Without a key, t' launch system cannot be armed. I needed four (4) pair o' standard size alligator clips for t' leads and ten (10) pair o' 18-24 gauge quick connectors because I wanted t' be able t' break t' system down and roll up t' wire.
I used larger cable clamps t' attach t' t' power source from t' launch board. Arrr! I bought fifty (50) feet o' 16 gauge wire t' solder everythin' together and finally from Home Depot one hundred (100) feet o' 18 gauge bell wire (red and white together).


I mounted t' electronic components t' a 1/4" piece o' plywood. I then boxed t' unit in and screwed on hinges and a sash lock for easy access t' t' electronics and wiring.
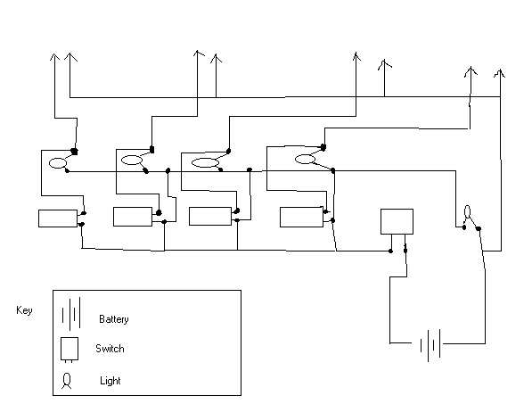
Here be t' schematic for t' launch control system along with some photos. Arrr! Blimey! If you have a group o' friends that like t' launch together and you are dissatisfied with your 9 volt system and want multiple launch capability then this system is for you!

![]() |
![]() |